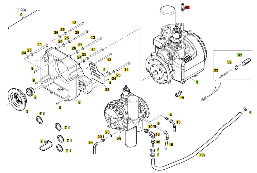
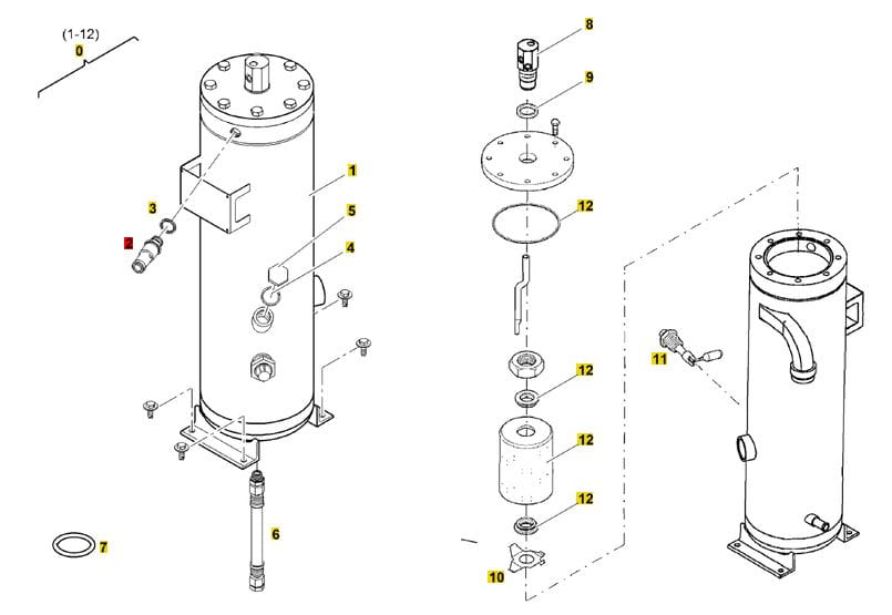
Zawór bezpieczeństwa 10bar
0
towar niedostępny







